PHÂN LOẠI XE TẢI GẮN CẨU TỰ HÀNH
Trước khi đi phân loại, ta cùng tìm hiểu xe tải gắn cẩu là gì? Phân loại xe tải tải gắn cẩu đem lại lợi ích gì? Có bao nhiêu loại xe tải gắn cẩu? Ưu nhược điểm của từng loại? Ứng dụng thực tiễn cho từng loại xe tải gắn cẩu? Bài viết dưới đây sẽ giúp chúng ta làm sáng tỏ phần nào về chủng loại xe vô cùng hữu ích này?
Cấu tạo xe tải gắn cẩu
Xe tải gắn cẩu (hay còn gọi xe cẩu tự hành, xe tải cẩu, xe cẩu thùng, xe cẩu,…) là dòng xe chyên dùng được cấu tạo từ 2 bộ phận chính: xe tải thông dụng có thùng chở hàng và cần cẩu thủy lực được lắp trên xe (thường được lắp ở giữa vị trí cabin và thùng xe):

Là dòng xe tải thông dụng đang lưu hành đường bộ. Một số thương hiệu có thể kể đến như: Hino, Isuzu, Fuso (Nhật Bản), Hyundai, Deawoo, Kia, Teraco (Hàn Quốc), Dongfeng, Jac, Howo (Trung Quốc), Thaco Trường Hải, Cửu Long, Hoa Mai, Chiến Thắng,… Model chủng loại khá đa dạng, thường được phân loại:
1. Xe cơ sở

Theo các phân khúc: xe tải nhẹ, xe tải trung và xe tải nặng
Phân theo số trục xe: xe 2 trục (2 chân, 2 giò) 4x2; xe 3 trục (3 chân, 3 giò) 6x2 hoặc 6x4; xe 4 trục (4 chân, 4 giò) 8x4; xe 5 trục (5 chân, 5 giò 10x4
Phân theo tải trọng chở: 2, 3, 5, 8, 15, 19, ….tấn
Phân theo tổng tải trọng: 5, 10, 15, 24, 31, 34 tấn
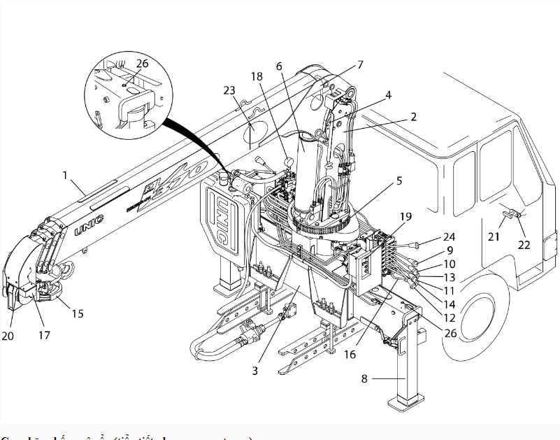
2. Cần cẩu thủy lực

Cần cẩu thủy lực là dạng thiết bị nâng cấu tạo thủy lực, nhờ áp suất thủy lực kết hợp với liên kết cơ khí, cần có thể ra/vào, lên/xuống, cụm pully móc cẩu có thể nâng lên/hạ xuống; hệ thống quay toa xoay tròn,…nhờ vậy hàng hóa có thể nâng/hạ, bốc/xếp dễ dàng; chân chống thủy lực (4 chân, 2 trước, 2 sau) giúp xe đứng vững khi nâng hàng và bảo vệ lốp xe. Theo cấu tạo thủy lực có 2 dạng cần cẩu thủy lực: cẩu thước ống lồng (các thương hiệu có thể kể đến như Unic, Tadano, Soosan, Kanglim, HKTC, Atom,….) và cẩu gấp khúc robot (Hyva, Ferrari, Palfinger, Fassi, Hiab,…). Mỗi chủng loại có ưu nhược điểm khác nhau, phù hợp với từng mục đích sử dụng cụ thể. Chúng ta sẽ tìm hiểu cụ thể vấn đề này trong bài sau của chúng tôi.
Cần cẩu thủy lực được lắp trên xe nhờ hệ thống quang cẩu, xiết chặt bệ cẩu với khung xát xi (chassis). Khoang lắp cẩu thường được gia cố thêm bằng cách lồng cạp thêm xát xi, thanh chống trong dầm xát xi, gia cường thêm cho dầm dọc của thùng xe. Trên mặt dầm xát xi thường hàn thêm các mố chặn, tránh hiện tượng xô cẩu khi phanh gấp hoặc tăng tốc quá nhanh (một chi tiết nhỏ, ít người để ý nhưng vô cùng quan trọng dưới góc độ kỹ thuật và an toàn sử dụng).
3. Liên kết cần cẩu thủy lực và xe cơ sởụm b4. Cum·
4. Cụm pully móc cau cẩu thước

Cần cẩu thủy lực được điều khiển bởi các tay trang thủy lực bố trí bên cạnh bệ cẩu (hoặc trang bị thêm trên ghế điều khiển trên cao, thường cẩu có sức 7 tấn trở lên được trang bị tính năng này). Cẩu hoạt động nhờ bơm thủy lực công suất lớn, áp suất cao (180 đến 300 at). Bơm được truyền công suất từ chính động cơ của xe cơ sở thông qua bộ trích công suất (cóc thủy lực, PTO) lắp phía đuôi hộp số. Bộ cài cóc được đặt trong cabin xe (cài điện, cài hơi hoặc kết hợp).
5. Tay trang điều khiển cẩu
